ちょっと時間ができたので、「せっかくだし何か撮ってみよう」と、身近なものを電子顕微鏡で観察してみました。
今回の試料、さて何だと思いますか?
当社にはマイクロカッターのような高精度な切断装置はありませんので、
メスでザクッと切った断面です。
なかなかワイルドな前処理ですが、それもまたリアル。

400倍に拡大してみると……なんだか妙にきれい。
中央付近は少しボロボロしていますが、
全体としては規則正しくブロックが積み重なっているような構造が見えてきます。
「人工物?」と思ってしまうほど、整った印象です。

さらに800倍。
よく見ると、ひとつひとつのブロックは、さらに小さな塊が集まってできているように見えます。
完全な一枚岩ではなく、粒の集合体がまとまってブロックを作っている感じですね。

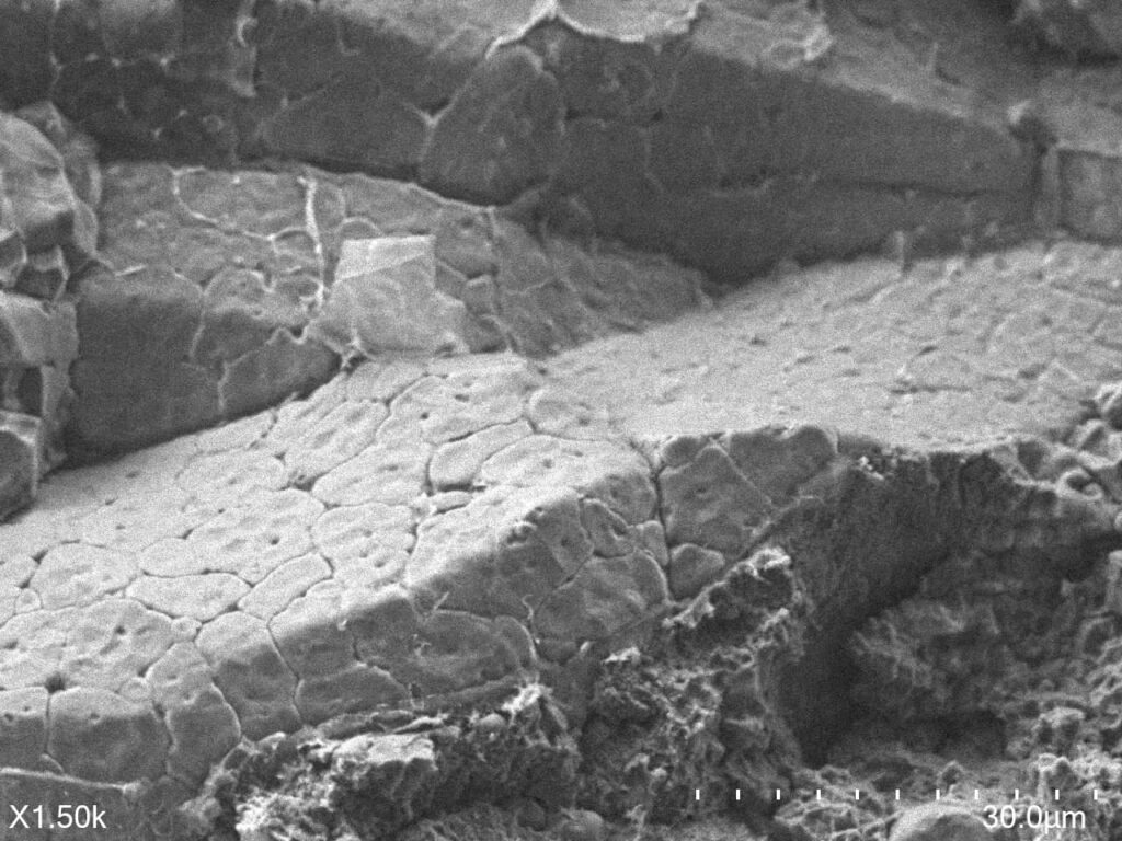
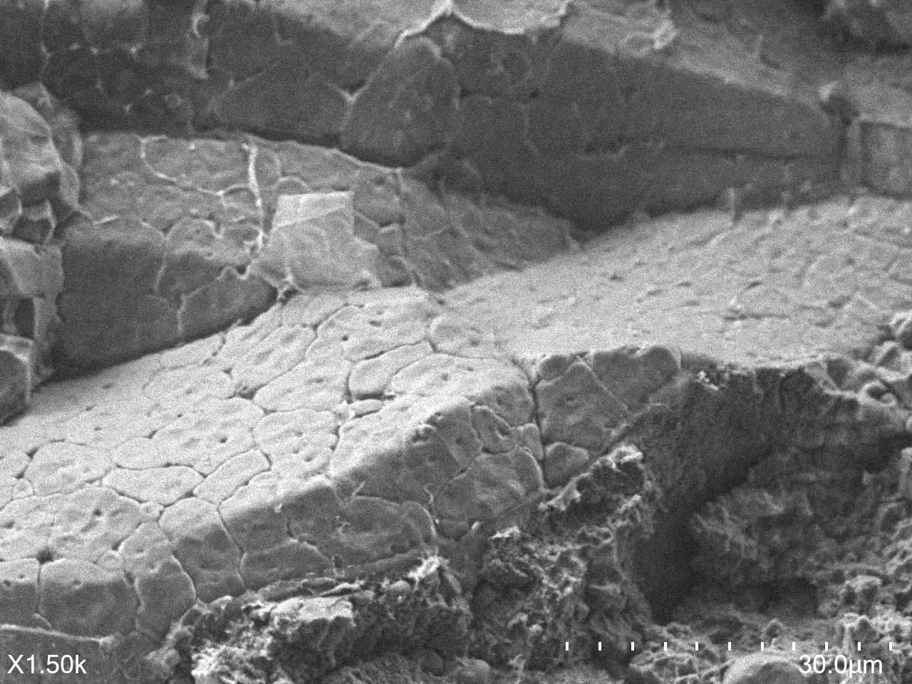
1500倍まで拡大すると、
その「ぎゅっと詰まっている感」がよりはっきり。
隙間があるようで、でもしっかりと結びついている。
なかなか力強い構造です。
ここまで見ても、正直「何の断面か」はピンとこない方が多いかもしれません。

では、断面ではなく試料そのものを撮影してみましょう。
こちら↓

お、ここまでくればおわかりですね。
正体は「お米」
そう、お米です。
普段目にしているお米は、ツルツル・ピカピカなイメージがありますが、電子顕微鏡で見ると、実はかなりホワホワ。
なめらかに見える表面も、ミクロの世界では凹凸があり、断面ではブロック状の構造がぎっしり詰まっています。
毎日当たり前に口にしているものでも、スケールを変えるだけで、まったく違う顔を見せてくれる。
電子顕微鏡、やっぱり面白いですね。
100倍です。↓

また身近なものをこっそり覗いてみようと思います。
それではまた。
ご覧いただきありがとうございました。